How to Use a Megohmmeter: A Practical Guide
Megohmmeters (insulation testers) help you evaluate the insulation condition of cables, motors, transformers, and electrical equipment. This guide explains how to use a megohmmeter safely and effectively, based on common test functions such as IR, PI, DAR, STEP, RAMP, DD, CAP, and voltage measurement.
User Manual--RD3215E Insulation Resistance Tester.pdf
What is the basic way to start and stop a megohmmeter test?
You press the TEST button to start, and press it again to stop.
To begin a standard insulation test, select the correct voltage range. Then press the TEST button. The test begins immediately. When you want to end the test, press TEST again.
If you want special modes such as DAR, PI, DD, RAMP, or STEP, choose the mode before starting. You cannot change the mode while the test is running.
When should I select special test modes?
You must select them before pressing TEST, because mode changes during testing are not allowed.
Special modes allow deeper insulation analysis. For example, STEP and RAMP modes work only in preset voltage ranges. They do not work in V or VS ranges. The DD mode always activates the CAP function automatically, because DD requires capacitance data.
How does a megohmmeter measure insulation resistance (IR)?
It applies a test voltage and measures the resulting current, then calculates R = V / I.

The tester generates a high DC voltage. It applies this voltage across the insulation. Then it measures the tiny current flowing through the insulation. With this current, the instrument computes the value of resistance. This test helps you understand general insulation health.
What is the Polarization Index (PI) and how does the megohmmeter calculate it?
PI is the ratio of the 10-minute resistance to the 1-minute resistance.
| PI Range | Insulation Condition |
| > 4 | Very Good |
| 4 – 2 | Good |
| 2 – 1 | Problems |
| < 1 | Bad |
The PI test takes 10 minutes. The instrument records the resistance at 1 minute and at 10 minutes. Then it calculates the ratio.
What is the Dielectric Absorption Ratio (DAR)?
It is the ratio of the resistance at 1 minute to that at 15 seconds.
| DAR Range | Insulation Condition |
| > 1.4 | Very Good |
| 1.25–1.0 | Good |
| < 1.0 | Bad |
DAR completes within 1 minute. The tester checks the insulation response to a short-time voltage application. For all tests under 1 minute, DAR results are invalid.
How does the RAMP mode work in a megohmmeter?
The voltage rises gradually, and the tester records resistance every second.
When the test starts, the voltage increases slowly until it reaches the selected level. The instrument logs resistance continuously. If the insulation is weak, the resistance drops as the voltage rises.
At very low voltage, small fluctuations are normal. This happens because low-voltage control is more difficult.
What is the STEP voltage test and why use it?
The voltage increases in steps of 10%, and the tester records resistance at each step.
STEP mode is similar to RAMP mode but increases voltage in fixed steps. Defective insulation will show decreasing resistance at higher steps.
Again, low-voltage fluctuations are normal at the beginning.
What does the Dielectric Discharge (DD) test measure?
It measures the discharge current and capacitance after the insulation finishes charging.
| DD Value | Judgement Standard |
| < 2.0 | Good |
| 2.0–4.0 | Warning |
| 4.0–7.0 | Poor |
| > 7.0 | Worst |
DD is useful for multilayer insulation. Usually, you charge the insulation at 500 V for 30 minutes. Then the megohmmeter measures the discharge current and capacitance after 1 minute.
How does the megohmmeter measure capacitance (CAP)?
It calculates capacitance based on discharge time.
Press CAP to enter capacitance mode. After you stop the test, the buzzer stops but the TEST light continues flashing. When the result appears, the light turns off. CAP is important for tests like DD, which depend on accurate capacitance values.
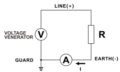
How does the megohmmeter measure AC and DC voltage?
It uses the V mode to detect live circuits before insulation testing.
Turn the selector to V for voltage measurement. Connect the red lead to LINE and the black lead to EARTH. The instrument measures TRMS voltage and identifies frequency automatically.
Do not measure voltage above 1000 V, because it can damage the device. When measuring DC, reverse polarity triggers a warning.
How do you change settings on a megohmmeter?
You adjust time, date, and formulas in the settings menu and press Accept to save.
You can modify clock settings and choose formulas for PI, DAR, and DD. Slide the scroll bars to change numbers. After everything is set, press Accept.
Calibration requires professional equipment, so users should not attempt it themselves.
Click to find information about RD3215E Insulation Resistance Tester.
Related Articles
Do you truly understand insulation resistance testing?
Insulation Resistance Tester Related Precautions.




